
深圳锐科光电科技有限公司的RK-DALI3-V1 DALI2 D4i模块,符合最新的IEC62386-101:2018 Ed2.0、IEC62386-102:2018 Ed2.0、IEC62386-207:2018 Ed2.0(DT6)和IEC62386-250-253(D4i)标准协议,采用了原装进口单片机芯片,完美兼容TRIDONIC(锐高)、OSRAM(欧司朗)、PHILIPS(飞利浦)等国际知名品牌的DALI控制系统。本DALI模块把国际标准DALI2 D4i协议信号转换成PWM信号,应用于LED开关电源上,实现DALI系统控制方式。具备Push DIM、高压防误接、故障检测等功能。
图1 DALI2模块正面(以实物为准)
图2 DALI2模块反面(以实物为准)
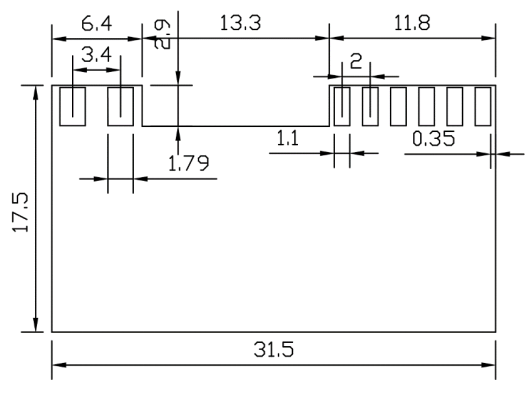
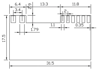
图3 模块尺寸图
板尺寸:31.5mm X 17.3mm X 1.2mm
引脚 | 标识 | 说明 | 电气参数 |
PIN1/16 | DA- | DALI接口引脚 | 12V ~20.5V |
PIN2/15 | DA+ | DALI接口引脚 | 12V~20.5V |
PIN3 | GND | 电源输入地引脚 | GND |
PIN4 | VDD | 电源输入VDD引脚 | +5V,恒压,纹波小于200mV |
PIN5 | LED-/ERR | AD检测,输出电压检测,开路短路检测 | 低于0.6V开路,高于3.5V短路,输出电压=46-11*检测电压 |
PIN6 | Type | AD检测,电压型号(最大电流)选择 | 每0.5V表示一个电源型号,确定最大电流档 |
PIN7 | —— | 保留 | AD |
PIN8 | PS_EN | IO输出,DALI PS供电控制管脚(备用) | 高电平运行DALI PS供电输出;低电平禁止DALI PS供电输出;支持IEC62386-250时启(备用) |
PIN9 | ONOFF | ONOFF 输出管脚 | PWM 大于 0 时,输出高电平;PWM 为 0 时,输出低电平 |
PIN10 | EL | 交流直流输入检测管脚,用于应急功能 | 100-120Hz方波或者直流,0-5V |
PIN11 | PWMC | 调光输出信号引脚 | DC +5V PWM信号(4KHz 最小亮度1%) |
PIN12 | I_SW1 | IO 输入,电流设置拨码开关管脚 1 | 电流设置拨码开关高位,自带内部弱上拉 |
PIN13 | I_SW2 | IO 输入,电流设置拨码开关管脚 2 | 电流设置拨码开关中位,自带内部弱上拉 |
PIN14 | I_SW3 | IO 输入,电流设置拨码开关管脚 3 | 电流设置拨码开关低位,自带内部弱上拉 |
产品特性 | 描述 |
产品型号 | RK-DALI3-V1 RE (瑞萨单片机) |
支持协议 | IEC62386-101:2018 Ed2.0 IEC62386-102-2018 Ed2.0 IEC62386-207:2018 Ed1 adapted to Ed2 IEC62386-250 IEC62386-251 IEC62386-252 IEC62386-253 |
供电电源 | DC+5V (纹波小于200mV) >20mA |
DALI接口 | 电压:12V ~ 20.5V DALI PS BUS 电流:1.8mA |
Push DIM功能 | 将DALI接口接入50Hz或60Hz AC100~300V,通过一个复位开关将电源 L 、 N 端连接到 DALI 接口。兼容锐高Push DIM功能。要求浪涌电压小于400V。 |
EL应急功能 | 检测到DC供电输入时,输出15%的亮度 |
PWM输出 | 1路PWM (4KHz,5mA), 最小亮度值1% |
ERR输入 | 低于0.6V开路,高于3.5V短路,输出电压=46-11*检测电压 |
模块保护 | DALI接口260V高压保护 |
工作环境 | 温度-40℃~+80℃ 湿度:8%-70% |
存储环境 | 温度-40℃~+80℃ 湿度:8%-90% |
焊接方式 | 金手指,焊接 |
模块尺寸 | 长31.5mm,高17.3mm,PCB板厚1.2mm |
DALI (数字可寻址灯光接口)是国际标准的、流行的灯光控制协议总线,它采用曼彻斯特编码的数字式传输,具有整体、分组调光、寻址调光和查询灯具状态等强大的功能。该数字总线与模拟式的0-10V 调光总线相比,具有调光精确,可寻址、稳定,可集中控制,安装方便等特点。
1、DALI 功能
具备完整的DALI 接口功能,符合最新的IEC62386-102:2018 Ed2.0和IEC62386-207:2018Ed2.0(DT6)标准协议,兼容性好,可以兼容任何符合DALI 协议的设备,通过输入标准的DALI 信号,实现产品的开关、调光、场景、群组、编址等功能。
2、调光范围
本模块输出频率为4KHz 的PWM 调光信号,最大输出驱动电流5mA,可接受20mA的灌电流。调光范围为1%~100%(可调),可以适应各种PWM/模拟调光接口的驱动芯片,PWM频率和最亮亮度值可以定制。
3、高压保护
在标准DALI 接口的基础上,增强了DALI 输入接口的可靠性和安全性,对于<260VAC 的输入电压,模块可安然无恙。在大型工程项目的调光产品安装作业时,避免由于安装布线人员的疏忽,将高压市电电源错误的接入DALI 接口,造成整个DALI 控制线路的产品损坏。
1、 DALI模式和PushDIM模式切换
出厂时,默认为DALI模式。由DALI模式切换到PushDim模式,需要把DALI驱动重新上电,并在 DALI 接口上输入 50Hz或60Hz的100V~300V 交流电Push信号,才能自动切换到 PushDim 调光模式。
若需要将PushDim模式切换到DALI模式,只需要接收到DALI指令信号,即可自动切换到DALI模式。
PushDim模式和DALI模式不可同时使用,工作模式具有断电记忆功能。
2、 PushDim调光方式
短按:迅速按下复位按钮后松手,按钮自动恢复断开状态,按下按钮的持续时间50ms-600ms。
长按:迅速按下复位按钮,保持不松开,持续>1000ms。
调光信号:将DALI接口接入50Hz或60Hz AC100~300V,在输入电源的线路上,通过一个复位开关将电源 L 、 N 端连接到 DALI 接口。
3、 SwitchDim功能
序号 | 功能 | 操作 | 说明 |
1 | 上电记忆 | 上电 | LED驱动上电时,会恢复LED驱动断电前的记忆,如果LED 驱动断电前是关灯的,则上电之后依然为关灯状态,如果 LED 驱动断电前是50%亮度,则上电之后自动恢复为50% 亮度(亮度记忆上次调光稳定后的亮度,调光过程的亮度不做记忆),上电后第一次长按调光方向为调暗。 |
2 |
开灯/关灯 |
短按 50ms-600ms | 如果灯原来是亮的,则短按之后灯灭;如果灯原来是灭的,短按之后为灯亮,这时的照度为前一次关灯前的照度(照度记忆功能)。 |
3 |
调光 |
长按1s-3s | 长按住复位开关,灯会进入调光状态,如果前一次为调亮,则下一次自动转为调暗,松开复位按钮后,调光停止,保持当前照度。调光范围1%-100%。上电第一次长按时默认为调亮,如果上电的亮度为最大亮度,则第一次长按时为调暗。 |
4 |
同步所有灯 |
长按10s | 接入同一个PushDIM系统的所有灯,如果出现开关或者亮度不一致的时候,长按10s可以将所有灯打开,并亮同样的亮度(50%),且下一次长按调光方向为调暗。 |
5 |
更改渐变时间 |
长按20s | 渐变时间影响着调光速度,渐变时间越小调光速度越快。调光渐变时间默认为3s,长按20s时,将调光渐变时间更改为6s,并输出100%的亮度(其中长按到10s时,会同步所有灯并亮50%);送按钮再次长按20s时,渐变时间改为3s;若一直不松开按钮,则保持亮100%的亮度。 |
6 | 复位到出厂设置 | 长按10s 四次 | 长按10s四次,每次间隔不超过2s。将渐变时间、开关状态、亮度、控制模式等,恢复到出厂设置状态。 |
7 | 快速同步所有灯 | 长按6S两次 | 当多个灯处于不同的亮度和开关状态时,长按6S,所有灯都会亮起,并调到最亮合作最暗;然后再重新长按6S,所有灯将同步调亮,并调到最亮。 |
4、 注意事项
如 LED 驱动电源需要在产品中兼容支持 Push DIM 功能,则应在DA/PUSHDIM 输入接口处加入必要的保护器件压敏电阻和保险丝,以符合安规和浪涌保护基本要求。浪涌电压不高于400V。
通常情况下,的位置加入压敏电阻和保险丝,保险丝前 L-N 间走线间距不小于 3mm(爬电距离不小于 6mm,推荐开槽),保险丝后走线间距不小于 2mm(爬电距离不小于 3mm)。
5、 接线方式

联系方式:
深圳锐科光电科技有限公司
刘小姐 18312522370 0755-82598815
微信: AlisaLiu11
邮箱:liuyy@ricolighting.com 网址:www.ricolighting.com
深圳市宝安区西乡街道共和工业路107号华丰互联网创意园A栋631室
添加好友,获取更多资料:
关注我,了解更多行业资讯: